- Главная
- Осевые вентиляторы
- Вентилятор осевой промышленный Ebmpapst W4D250CH2201
Вентилятор осевой промышленный Ebmpapst W4D250CH2201
код на сайте: 11909
артикул: W4D250CH2201
Ebmpapst
Цена:
Нет цены
Уточнить цену
Краткие характеристики
- Тип вентилятора: осевой
- Исполнение вентилятора: с решеткой и стенным кольцом
- Направление воздушного потока: на вдув
- Напряжение: 230 В
- Скорость вращения: 1400 об/мин
- Электрическая мощность: 25 Вт
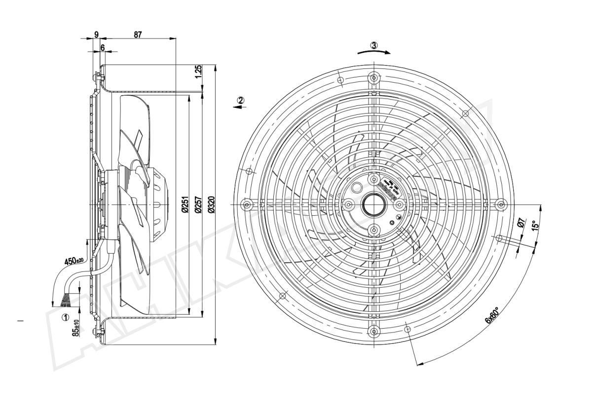
Вес и габариты
- 1.9 кг
- 32x9.6x32 см
Основные характеристики
Тип вентилятора:
осевой
Исполнение вентилятора:
с решеткой и стенным кольцом
Направление воздушного потока:
на вдув
Напряжение:
230 В
Скорость вращения:
1400 об/мин
Электрическая мощность:
25 Вт
Производительность:
1010 м³/ч
Уровень шума:
70 дБ
Материал:
сталь
Взрывозащищенное исполнение:
отсутствует
Входной ток:
0.12 А
Количество лопастей:
7 шт
Диаметр крыльчатки:
250 мм
Количество фаз:
3
Реверсивный режим:
нет
Класс пылевлагозащиты:
IP44
Рабочая температура окр. среды:
от -25 до 85 °C
Тип электродвигателя:
AC-двигатель
Вес:
1.9 кг
Габариты:
32x9.6x32 см
* Технические характеристики и комплект поставки могут быть изменены производителем без предварительного уведомления.
Сообщить об ошибке в описании
Файлы и инструкции
-
Инструкция на вентилятор осевой промышленный Ebmpapst W4D250CH2201.pdfИнструкция на вентилятор осевой промышленный Ebmpapst W4D250CH2201.pdf
544.34 Кб, 21.12.2020
Вентилятор осевой промышленный Ebmpapst W4D250CH2201
Цена:
Уточнить цену