Анкас ООО "АНКАС" https://ankas.kz//images/ankas/logo.png market@ankas.kz +7 (351) 751-40-35 Youtube Вконтакте
8-800-550-44-56
  1. Главная
  2. Осевые вентиляторы
  3. Вентилятор осевой промышленный Ebmpapst A4S250AA0201

Вентилятор осевой промышленный Ebmpapst A4S250AA0201

код на сайте: 11456
артикул: A4S250AA0201
Ebmpapst
Цена: Нет цены
Уточнить цену
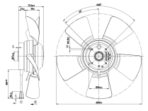
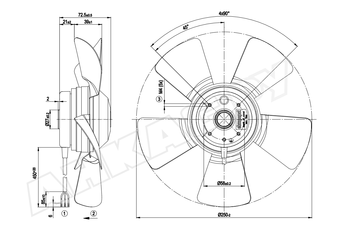
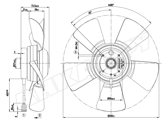
Краткие характеристики
  • Тип вентилятора: осевой
  • Исполнение вентилятора: без решетки
  • Направление воздушного потока: на вдув
  • Напряжение: 230 В
  • Скорость вращения: 1400 об/мин
  • Электрическая мощность: 72 Вт
Вес и габариты
  • 1.6 кг
  • 25x7.4x25 см