- Главная
- Осевые вентиляторы
- Вентилятор осевой промышленный Ebmpapst 8414 NH-221
Вентилятор осевой промышленный Ebmpapst 8414 NH-221
Запросить КП



код на сайте: 12477
артикул: 9292506221
Ebmpapst
Краткие характеристики
- осевой
- компактный
- на выдув
- 24 В
- 3600 об/мин
Вес и габариты
- 0.095 кг
- 8x2.5x8 см
Основные характеристики
Тип вентилятора:
осевой
Исполнение вентилятора:
компактный
Направление воздушного потока:
на выдув
Напряжение:
24 В
Скорость вращения:
3600 об/мин
Электрическая мощность:
2.4 Вт
Производительность:
78 м³/ч
Уровень шума:
37 дБ
Материал:
полиамид
Взрывозащищенное исполнение:
отсутствует
Входной ток:
0.098 А
Количество лопастей:
7 шт
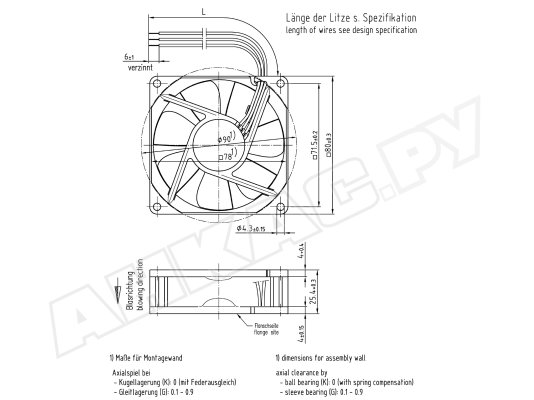
Диаметр крыльчатки:
71 мм
Реверсивный режим:
нет
Рабочее давление:
58 Па
Рабочая температура окр. среды:
от -20 до 70 °C
Тип электродвигателя:
AC-двигатель
Вес:
0.095 кг
Габариты:
8x2.5x8 см
* Технические характеристики и комплект поставки могут быть изменены производителем без предварительного уведомления.
Сообщить об ошибке в описании
Файлы и инструкции
-
ФайлПаспорт на вентилятор осевой промышленный Ebmpapst 8414 NH-221, арт: 9292506221..pdf
315.85 Кб, 28.12.2020

Вентилятор осевой промышленный Ebmpapst 8414 NH-221
Цена:
Уточнить цену