- Главная
- Газовые рампы
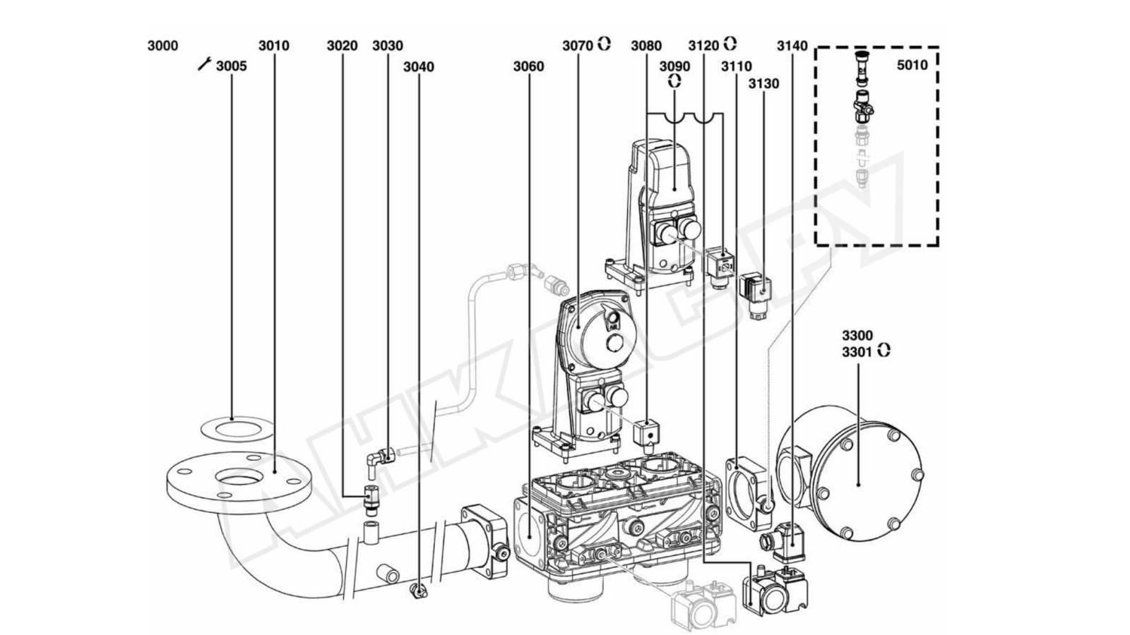
- Газовая рампа Elco GT-S452-2
Газовая рампа Elco GT-S452-2
Запросить КП


код на сайте: 65691
артикул: 3750526
Elco
, Италия
Краткие характеристики
- пневматический
- 600 мбар
- от 50 до 500 мбар
- от 50 до 500 мбар
- Rp 2"
Основные характеристики
* Технические характеристики и комплект поставки могут быть изменены производителем без предварительного уведомления.
Сообщить об ошибке в описании
Фильтровать по категории
Фильтры
Места установки
Фильтровать по категории
Фильтры
Аксессуары и запчасти
Файлы и инструкции
-
ФайлПаспорт на газовую рампу Elco GT-S452-2.pdf
1.83 Мб, 28.02.2023

Газовая рампа Elco GT-S452-2
Цена:
2 612 000
тенге